產品分類一覽
插板閥
插板閥
- 所屬類目:閥門配件
- 產品亮點:

插板閥主要由閥體、閥板、密封件等組成。插板閥又稱刀形閘閥,是一種閘板與閘閥始終緊密接觸密封的閥門,其原理是閘板上開有一個通徑大小的圓口,通過閘板啟閉使得閘板上圓口跟通徑做完全脫離和相吻合的動作。
插板閥優點
§ 材質夯實,經久耐用;§ 穩定,堅固的設計;
§ 較低的安裝高度;
§ 易于維護;
§ 耐壓高達0.3MPa;
§ 兩個橫截面都可以使用;
§ 氣動控制,設置故障自動報警。
插板閥特點
插板閥主要應用在輸送系統中;DN50-DN89的插板閥主要用于管道的負壓或正壓(低壓)氣力輸送;
DN102-DN255的插板閥主要用于料倉卸料也可用于管道的負壓或正壓(低壓)氣力輸送.
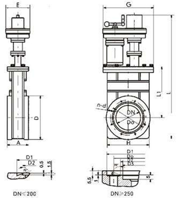
插板閥結構圖

產品展示


